(3) Model D31/2/8 - Ventiel standaard

Magneetventiel G1/8 - G1/4

Productnummer: D31-2-8

 Voor 14:00 uur besteld, dezelfde dag verzonden (indien voorradig)!  30 jaar productkennis  Oplossingen op maat
  • Beschrijving
  • Reviews
  • Bijlagen
  • Trefwoorden

Productomschrijving

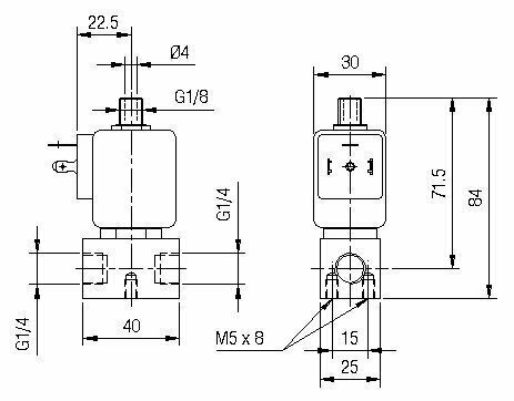
(3) Model D31/2/8 - Standaard ventiel 3/2

Functie: NC - normaal gesloten
Constructie: Direct gestuurd
Doorlaat en werkdruk
 
: 1.4 mm
: 1.8 mm
: 2,3 mm
0-16 Bar
0-10 Bar
0-15 Bar
Materiaal huis: Messing of RVS
Dichtingen: NBR, EPDM, FPM
Omgeving: +55°C max.
Medium temp: -10 tot +90°C (NBR),+130°(EPDM,FPM)
Spanningen
 
: 12VDC, 24VAC, 24VDC, 115VAC, 380VAC, 230VAC
Aansluitingen: 1/8’’ - 1/4'' BSP

 
Op aanvraag: Andere afdichtingen, RVS huis, NPT aansluiting, EEx spoel

D31/2/8 - 3/2 Direct gestuurd magneetventiel

Sluiten
Bekijk volledige omschrijving

Beoordelingen

Review toevoegen

Laat een review achter

Wat vind je van het artikel?
(3) Model D31/2/8 - Ventiel standaard
Laat een review achter
Versturen